RoHS2指令(10物質)適合品
対応する電磁ノイズ周波数帯
推奨周波数帯 10MHz~500MHz
樹脂ケース材質
PA66(ナイロン) UL94 V-0
色:ブラック
用途
医療機器、通信機器、周辺機器、FA機器の不要放射抑制、
イミュニティー向上用
特長
- ニ分割コアとナイロンクランプが一体化して、装置へのビス止めができるタイプです。
- 配線済ケーブル、コネクタ付きケーブルへも容易に取り付けが可能です。
- ケーブルを巻きつけて使用できるタイプで、ターン数でインピーダンスがコントロール可能です。(下図参照)
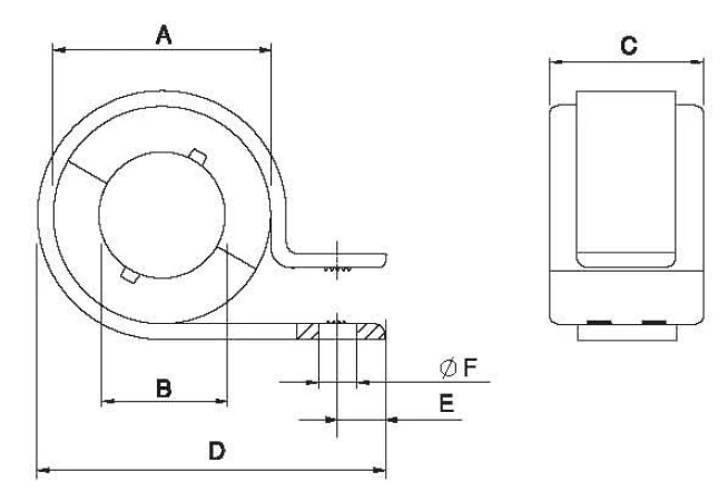
仕様
| 品番 | 寸法 | インピーダンス(1ターン) | インピーダンス(2ターン) | 推奨ケーブル径 | |||||||
|---|---|---|---|---|---|---|---|---|---|---|---|
| A(磁性体外径) | B(内径) | C(全長) | D(クランプ込幅) | E(クランプ端-穴距離) | F(クランプ穴径(φ)) | 25MHz | 100MHz | 25MHz | 100MHz | ||
| MTCN16813 | 16.3 | 8.2 | 13.0 | 29.7 | 4.8 | 4.3 | 65 | 106 | 254 | 423 | φ7.7以下 |
| MTCN16816 | 16.3 | 8.2 | 16.0 | 29.7 | 4.8 | 4.3 | 79 | 126 | 306 | 502 | φ7.7以下 |
| MTCN201010 | 20.5 | 10.3 | 10.0 | 36.0 | 6.3 | 5.1 | 50 | 83 | 193 | 317 | φ9.8以下 |
| MTCN231114 | 23.8 | 11.4 | 14.0 | 39.1 | 6.3 | 5.1 | 71 | 121 | 283 | 497 | φ11.0以下 |
| MTCN281613 | 28.5 | 16.3 | 13.0 | 45.0 | 6.3 | 5.1 | 59 | 90 | 234 | 355 | φ15.8以下 |
| MTCN281620 | 28.5 | 16.3 | 20.0 | 45.0 | 6.3 | 5.1 | 80 | 133 | 323 | 550 | φ15.8以下 |
| MTCN402715H | 40.5 | 27.4 | 15.0 | 58.0 | 6.3 | 5.1 | 53 | 85 | 203 | 346 | φ27.1以下 |
※ビス止め時にスペーサーを要するものがありますので、詳細は納入仕様書をご請求下さい。
※在庫状況につきましては、お問い合わせください。
※表のインピーダンスは、保証値ではなく実測値です。
インピーダンス特性グラフ
特性グラフでは、カーソルを合わせたり、タップすることで、該当周波数におけるインピーダンスが表示されます。
また、グラフ上部の凡例をクリックやタップすることで、表示・非表示が切り替わります。
※特性グラフのインピーダンスは、保証値ではなく実測値です。